NORELEM
Goupille d’arrêt en acier avec filetage
Description
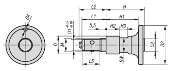
Cotes de montage forme A pour plaques d’épaisseur 6 mm.
Cotes de montage forme B pour plaques d’épaisseur de 6 à 16 mm.
En cas de dépassement de la force de maintien, on constate un espace de plus de 0,1 mm entre les plaques.
Détails techniques
Matière :
Corps et bouton-poussoir en acier.
Bille, ressort et bague de maintien en inox.
Joint torique FKM.
Finition :
Corps nickelé.
Corps nickelé.
Tête traitée et nickelée.
Bille traitée.
Attention :
Les forces d'extraction indiquées s'appliquent uniquement en cas d'utilisation avec
des douilles de fixation 03192-02.
des douilles de fixation 03192-02.
Accessoires :
Douille de fixation 03192-02.
Documents administratifs
À la une
NORELEM
Assemblage, fixationDescription
Fabricant et fournisseur, norelem est le leader mondial des composants standard destinés à la construction et à l’ingénierie mécanique.130 000 références produits composent la gamme générale, celle-ci couvre l’ensemble des besoins des entreprises en éléments standard mécaniques ainsi qu’en systèmes et composants pour la constructi...


English 

















