NORELEM
Crampon plaqueur 04562
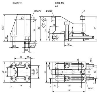
Description
Cet ensemble de crampon et butée active permet de serrer et plaquer une pièce en une seule opération. L’effort de serrage transformé en plaquage par l’action de la butée active garantit un appui efficace de la pièce. Le crampon est équipé de 2 vis anti-recul DIN 913 qui empêchent celui-ci de reculer lors du serrage.
Détails techniques
Matière :Corps: acier 1.1191.Finition :Bruni.
Douilles: trempé.
Documents administratifs
À la une
NORELEM
Assemblage, fixationDescription
Fabricant et fournisseur, norelem est le leader mondial des composants standard destinés à la construction et à l’ingénierie mécanique.130 000 références produits composent la gamme générale, celle-ci couvre l’ensemble des besoins des entreprises en éléments standard mécaniques ainsi qu’en systèmes et composants pour la constructi...


English 












