NORELEM
Goupilles d’arrêt, pouces
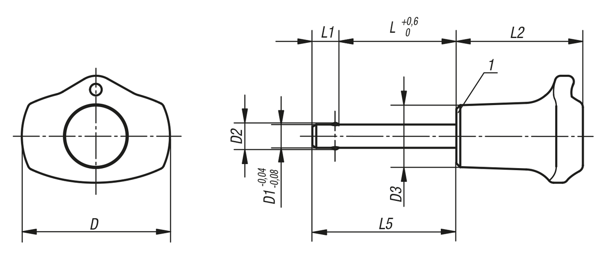
Les goupilles d'arrêt autobloquantes permettent d'assembler ou de fixer rapidement et simplement des composants.
Un appui sur le bouton pression permet de déverrouiller les deux billes et donc de désolidariser les pièces. En relâchant le bouton pression, les billes se bloquent et procurent un assemblage sûr.
Force de cisaillement double section (F) = S · τ aB max.
Les données relatives à la force de cisaillement correspondent à la charge de rupture théorique.
Il s'agit de valeurs indicatives sans engagement, qui ne tiennent pas compte des facteurs de sécurité et excluent toute responsabilité. Les valeurs indiquées sont exclusivement destinées à des fins d'information et ne constituent pas une garantie juridique des propriétés.
Les valeurs de charge ont été calculées conformément à la norme DIN 50141. Chaque utilisateur doit déterminer lui-même si la goupille d'arrêt autobloquante est adaptée à l'application envisagée.
Les différents matériaux avec lesquels les goupilles d'arrêt autobloquantes sont utilisées, les conditions climatiques ainsi que l'usure peuvent influer sur les valeurs définies.
Composants en inox.
Bouton pression rouge signalisation.
Composants en acier inox naturel.
Câble de sécurité en spirale 03199
Corde de maintien avec œillet 03199
Anneau 03199


English 
















