NORELEM
Fermetures à déclic en plastique avec bouton, rotatif
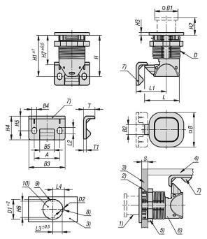
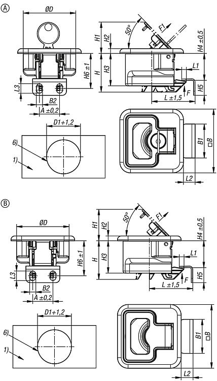
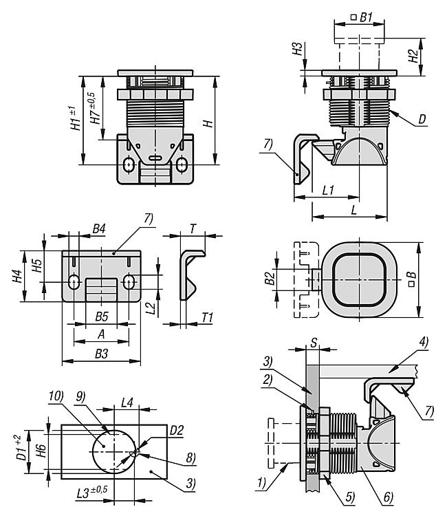
Ces fermetures à déclic sont conçues pour un montage affleurant dans les portes, trappes et capots grâce à leur bouton encastré.
L'équerre de montage sert de butée si aucune surface de fermeture adaptée n'est disponible.
Indice d'inflammabilité : UL94-HB.
Couple max. pour le serrage de l'écrou : 4,2 Nm.
Matière :PC/ABS.Finition :noir, chromé, blanc ou beige.Mode d'emploi :À l'état non actionné, le bouton est encastré dans le corps. En appuyant sur l'élément de commande, celui-ci ressort et la fermeture peut être ouverte en tournant vers la gauche ou vers la droite.
Le verrouillage est automatiquement assuré par la fermeture de la porte. Appuyez à nouveau sur le bouton pour revenir à l'état non actionné.Utilisation :- Industrie automobile
- Technique médicale
- Construction de machines
- Bateaux et construction navale
- Aérospatial
- Industrie du meubleMontage :1. Réalisez la découpe selon le croquis.
2. Fixation de l'équerre de montage.
3. Fixation par l'arrière à l'aide d'écrous de montage.Contenu de la livraisonLes écrous et les équerres de montage sont inclus.
Les vis (M5) pour équerre de montage ne sont pas incluses.Indication de dessin :
2) Tenons de guidage anti-retournement
3) Vantail
4) Cadre
5) Écrous de montage
6) Corps
7) Équerre de montage
8) Pour tenons de guidage (en option)
9) Support anti-retournement (en option)
10) Découpe de montage


English 



















