NORELEM
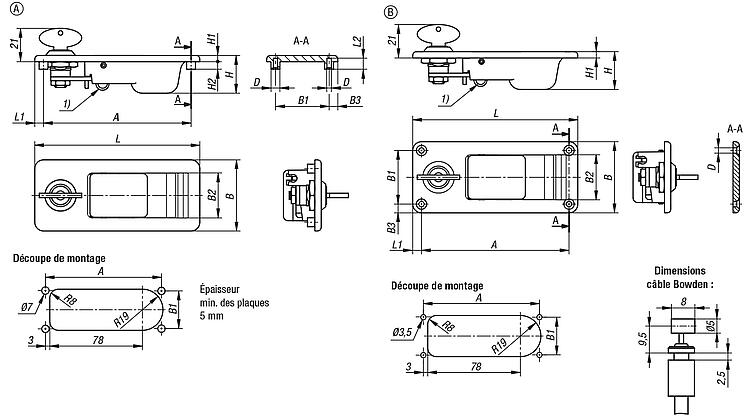
Déclencheur en zinc
En actionnant la poignée, les trappes, couvercles, capots et portes s'ouvrent de manière invisible à distance grâce à un câble Bowden.
Les déclencheurs verrouillables sont fournis avec 2 clés. La clé peut être retirée dans les deux positions (ouverte et fermée). La serrure est identique, chaque serrure peut donc être ouverte avec la même clé.
Le câble Bowden n'est pas fourni.Utilisation :Les déclencheurs sont utilisés lorsque des espaces inaccessibles rendent la manipulation difficile ou lorsqu'une commande à distance est nécessaire pour des raisons d'ergonomie et de sécurité.
Matière :Poignée et corps en zinc injecté haute pression.Finition :Poignée et corps noirs ou avec revêtement de poudre argenté.Montage :Forme A : à l'arrière.
Forme B : à l'avant.Avantages :Actionnement possible dans les espaces inaccessibles.
Possibilité de position d'actionnement à l'ergonomie optimisée.
Actionnement possible même en cas de distances de sécurité à respecter.Accessoires :Câble Bowden 05596-01


English 


















