NORELEM
Vérin de bridage pivotant pneumatique
Description
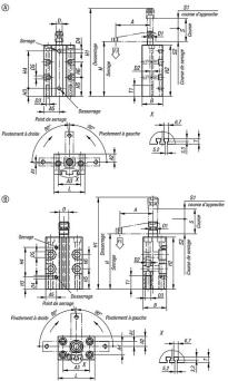
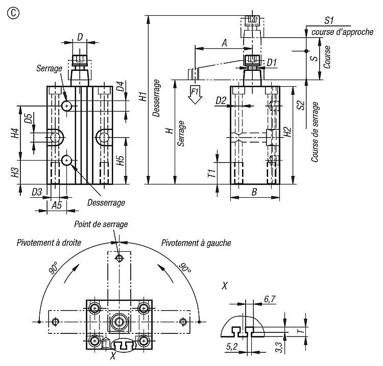
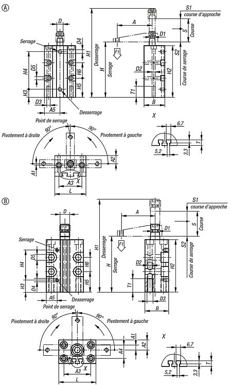
Les ensembles de bridage pivotants sont utilisés là où de faibles forces de serrage suffisent ou lorsque le point de serrage pour placer ou enlever la pièce à usiner doit
être libre. Le corps en forme de bloc permet d'avoir plusieurs possibilités de fixation.
Le piston à détection magnétique permet l‘utilisation de détecteurs de fin de course. La vis et la rondelle élastique sont fournis pour la fixation du bras de serrage accessoire. Le vérin de bridage pivotant ne doit pas être gêné lors du mouvement de rotation.
F1 = pression de service maximale admissible à 6 bars.
Détails techniques
Matière :Corps de base aluminium.
Tige de piston double effet inox.Finition :Corps de base anodisé noir.
Documents administratifs
À la une
NORELEM
Assemblage, fixationDescription
Fabricant et fournisseur, norelem est le leader mondial des composants standard destinés à la construction et à l’ingénierie mécanique.130 000 références produits composent la gamme générale, celle-ci couvre l’ensemble des besoins des entreprises en éléments standard mécaniques ainsi qu’en systèmes et composants pour la constructi...


English 















