NORELEM
Vérin de bridage à levier pneumatique à visser avec bride
Les vérins de bridage à levier pneumatiques à visser avec bride sont utilisés dans les applications où de faibles forces de serrage sont suffisantes, ou lorsqu'il faut laisser le champ libre pour placer ou enlever la pièce à usiner.
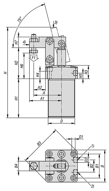
Leur forme permet un montage peu encombrant. Le vérin de bridage pivotant peut être ajusté en hauteur à l'aide du raccord fileté et est adapté à un montage encastré dans le dispositif.
En raison de la fonction double effet du vérin de bridage, le piston est déplacé vers le bas et vers le haut à l'aide de la pression.
Les vérins de bridage à levier peuvent être utilisés pour serrer des pièces à usiner présentant un profil bas.
Le vérin de bridage à levier ne doit pas être gêné dans son mouvement de levier. F1 = pour une pression de service autorisée max. de 7 bars.
Comparés aux vérins de bridage pivotants, les vérins de bridage à levier de même taille peuvent générer des forces de serrage plus importantes en raison de leur mécanisme de levier.
Matière :Corps de base en aluminium.
Piston en acier.Finition :Corps de base anodisé noir.
Piston chromé dur.Le vérin de bridage à levier à visser avec bride peut être fixé par le haut ou par le bas à l'aide d'un écrou à encoche DIN 70852 (07590-05). Une autre possibilité consisterait à fixer le vérin de bridage à levier au dispositif par le haut à l'aide de quatre vis CHC.
La position du bras de serrage peut être personnalisée.
Le vérin de bridage pivotant ne doit être utilisé qu'avec de l'air lubrifié.
Les trous de fixation de la bride ont les mêmes dimensions que ceux de la bride filetée 05610-20.
Les écrous à encoche ne sont pas inclus dans la livraison.Accessoires :07590-05 Écrou à encoche DIN 70852.
05610-20 Bride filetée.Indication de dessin :
2) Desserrage
3) Desserré
4) Serré


English 














