NORELEM
Étau de bridage de formes pour bridage extérieur
Le contour de la pièce à serrer est inséré dans la pince de serrage.
Le nombre de degrés gravé permet d'obtenir toujours le même couple de serrage, même sans clé dynamométrique, pour serrer la pièce en toute sécurité.
La course de serrage de la pince de serrage 03166-10-01910 est de 0,025 mm par rotation de 15° dans le sens radial. La course de serrage recommandée est de 0,07 mm. La course de serrage maximale autorisée est de 0,38 mm.
La course de serrage de la pince de serrage 03166-10-04950 est de 0,05 mm par rotation de 15° dans le sens radial. La course de serrage recommandée est de 0,1 mm. La course de serrage maximale autorisée est de 0,64 mm.
La collerette de positionnement permet un ajustement précis.
Matière :Écrou de serrage en aluminium.
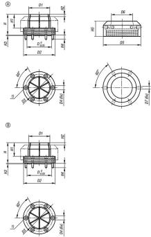
Pince de serrage en acier.Finition :Écrou de serrage anodisé dur.Mode d'emploi :Le serrage de l'écrou de serrage s'effectue à l'aide d'une clé à ergot.Données techniques :Voir informations techniques.Contenu de la livraisonForme A : Étau de bridage de formes composé d'un écrou de serrage et d'une pince de serrage.
Forme B : Pince de serrage.
Vis à tête cylindrique incluses pour la fixation de la pince de serrage. (Métrique et pouces)


English 
















![Etau de perçage FLOTT [felix] à mécanisme de serrage rapide intégré](https://www.industrie-online.com/uploads/products/cover/md_36623804-dd66.png)
![Etau de perçage FLOTT [felix] 2.0 à mécanisme de serrage rapide intégré](https://www.industrie-online.com/uploads/products/cover/md_bb53109c-1c7e.jpg)