NORELEM
Mandrin de précision mandrin manuel
Description
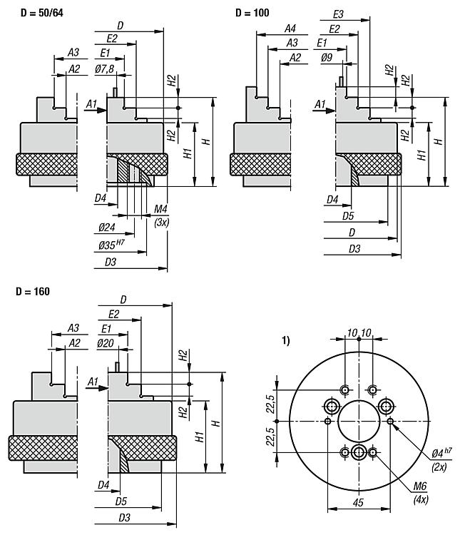
Ces mandrins sont spécialement conçus pour les applications nécessitant une force de serrage faible mais une précision élevée. Pour le serrage interne ou externe de pièces cylindriques. Le serrage de la pièce s'effectue en tournant simplement la bague de serrage à la main ou à l'aide de la poignée fournie. Les mors de serrage trempés ont des configurations à paliers vers l'extérieur et sont réversibles. Pour l'inversion, chaque mors de serrage est marqué avec deux numéros. Le numéro indiqué sur le mors de serrage à l'extérieur doit coïncider avec le numéro sur le corps de base.
Détails techniques
Matière :
Corps de base et mors en acier.
À partir du Ø100, corps de base en aluminium, mors en acier.
Finition :
Corps de base naturel, mors trempés, naturels.
À partir du Ø100, corps de base anodisé dur, mors trempés, naturels.
Mandrins D=50 avec outil de réglage et trois broches chacun (Ø 2 mm) d'une longueur de 12 ou 18 mm.
Mandrins D=64 avec outil de réglage et trois broches chacun (Ø 2 mm) d'une longueur de 12 ou 18 mm.
Mandrins D=104 avec outil de réglage et trois broches chacun (Ø 3 mm) d'une longueur de 12, 18 ou 24 mm.
Mandrins D=160 avec outil de réglage et trois broches chacun (Ø 4 mm) d'une longueur de 12, 18 ou 24 mm.
Les broches peuvent être emmanchées sur la face supérieure du mors et permettent un serrage augmenté des petites pièces. Les broches peuvent être démontées.
Concentricité < 0,03 mm
Planéité < 0,01 mm
Répétabilité < 0,01 mm
Documents administratifs
À la une
NORELEM
Assemblage, fixationDescription
Fabricant et fournisseur, norelem est le leader mondial des composants standard destinés à la construction et à l’ingénierie mécanique.130 000 références produits composent la gamme générale, celle-ci couvre l’ensemble des besoins des entreprises en éléments standard mécaniques ainsi qu’en systèmes et composants pour la constructi...


English 















