NORELEM
Doigt d'indexage en acier ou en inox avec poignée à œillet en plastique
Les doigts d’indexage sont utilisés lorsqu'il faut éviter tout déplacement de la position d'arrêt sous l'effet de forces transversales. Le déblocage du doigt d’indexage s'effectue en tirant sur le bouton.
Matière :
Modèle acier :
Douille filetée 1.0715.
Doigt d'arrêt 1.4305.
Modèle inox :
Douille filetée 1.4305.
Doigt d'arrêt 1.4305.
Poignée à œillet en thermoplastique gris foncé RAL 7021 ou rouge signalisation RAL 3020.
Finition :Version acier :
Doigt non traité, corps fileté zingué passivé bleu.
Doigt d'arrêt naturel.
Version Inox :
Doigt non traité.
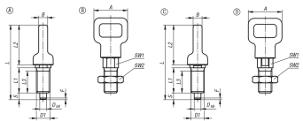
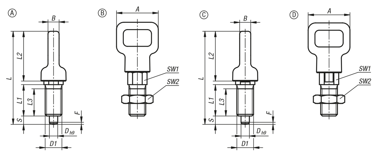
Autres pièces en Inox naturel.Nota :Si le désengagement doit s'effectuer sur une période plus longue et qu'il faut éviter un rappel du doigt d'arrêt, il convient d'utiliser la forme C ou la forme D.
Lors du montage, il convient de respecter le couple de serrage max. indiqué.Sur demande :Autres courses possibles sur demande.Indication de dessin :
Forme B:sans encoche d’arrêt, avec contre-écrou
Forme C:avec encoche d'arrêt, sans contre-écrou
Forme D:avec encoche d'arrêt, avec contre-écrou


English 


















