NORELEM
Vérin de bridage pivotant hydraulique compact à double / simple effet avec rappel par ressort
Les vérins de bridage pivotants compacts sont conçus pour les dispositifs de bridage où les points de serrage doivent rester libres lors du retrait ou de l'insertion. Ils sont par ailleurs adaptés aux espaces de montage restreints. Les vérins de bridage pivotants compacts fonctionnent comme des vérins de traction à simple ou à double effet. Pour les vérins de bridage pivotants compacts, il existe trois types de boîtier au choix ainsi que différents modes d'actionnement. Le mouvement de serrage est initié par un mouvement de pivotement et de levage superposé. La course de serrage effective s'effectue selon un mouvement linéaire. De nombreuses variantes sont disponibles avec un angle de pivotement de 90° à gauche ou à droite.
Matière :Corps et piston en acier.
Joint en NBR.Finition :Corps bruni.
Piston trempé.Nota :Si le débit volumétrique admissible est dépassé au niveau du vérin de bridage pivotant, un réducteur de débit doit être intercalé.
La pression de service admissible des vérins de bridage pivotants dépend de la longueur des bras de serrage.
Lors du montage des bras de serrage, ceux-ci doivent être maintenus afin de ne pas endommager le guidage à billes des vérins de bridage pivotants.
En fonction du raccord de ventilation, le filtre fritté des vérins de bridage pivotants à simple effet doit être remplacé par un bouchon fileté.
Le bras de serrage pour vérin de bridage pivotant compact n'est pas inclus.
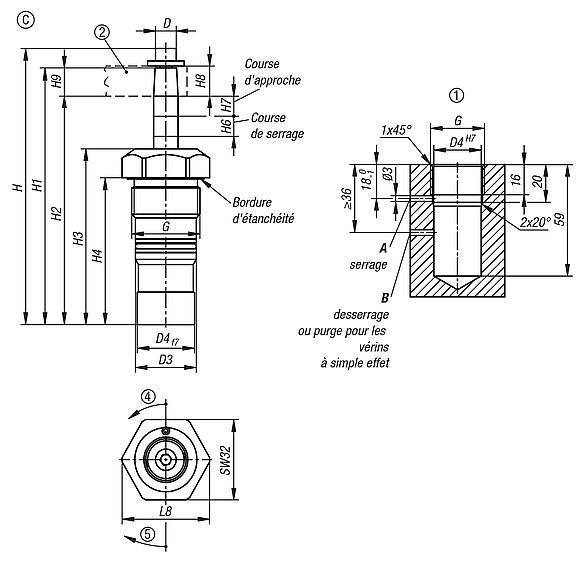
Respecter les consignes de sécurité.Mode d'emploi :- Raccord fileté
- Raccord à bride avec joint torique.
- Canaux forés.Données techniques :Pression de service max. : 350 bar.Montage :Voir contour de montage.Avantages :- Forme compacte
- Nombreuses versions.
- Accès sans collision à la pièce à usiner.Sur demande :Courses et diamètres de piston plus importants, autres angles de pivotement, différents supports de bras de serrage, avec contrôle de la position en option.Accessoires :Bras de serrage pour vérin de bridage pivotant compact 04368-10.Contenu de la livraison- 1 écrou à encoche M27x1,5 (uniquement pour les vérins de bridage pivotants compacts 04368-14081104190100, 04368-14081104190200, 04368-14062104190100, 04368-14062104190200).
- 1 vis ou écrou pour support de bras de serrage.Indication de dessin :
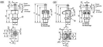
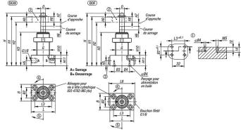
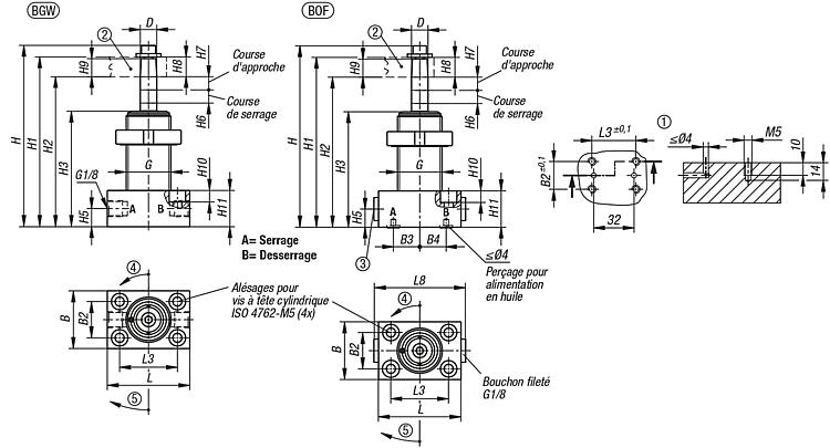
Forme AOF : bride en haut, Raccord à bride avec joint torique
Forme BGW : bride en bas, Raccord fileté
Forme BOF : bride en bas, Raccord à bride avec joint torique
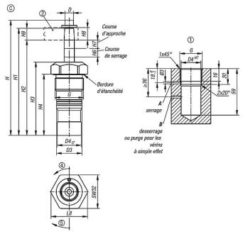
Forme C : raccord fileté


English 





















