NORELEM
Douilles de guidage en bronze sans entretien
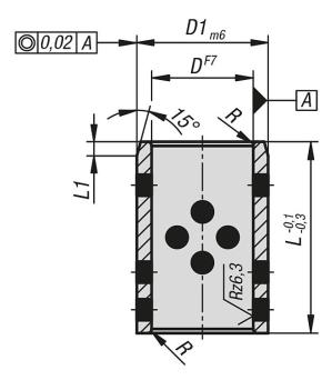
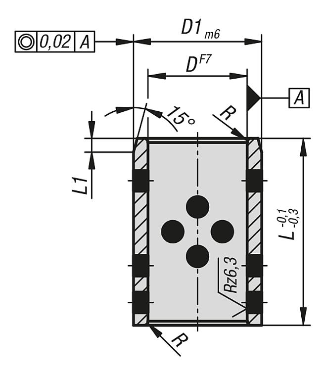
Les douilles de guidage peuvent être montées radialement ou axialement.
Les éléments de glissement ne nécessitent pas d'entretien et sont résistants à l'usure.
Les inserts en graphite permettent une lubrification à vie.
De préférence pour des vitesses de glissement < 0,5 m/s. (En cas de sollicitations extrêmes avec vitesse de glissement plus élevée, une lubrification d'appoint est recommandée.)
Matière :Bronze avec inserts en graphite.Finition :autolubrifiant.
Dureté 190-220 HB.Données techniques :
Propriétés du matériau :
Alliage de base : CuZn25Al6FeMn3
Épaisseur : 8,0 g/cm3
Résistance à la traction Rm : 750 N/mm2
Limite d'élasticité : 450 N/mm2
Allongement à la rupture A5 : 5-8 %
Coefficient de frottement : 0,05 - 0,12
Vitesse maximale : 15 m/min
Conductibilité thermique : 50 W/m x k
Coefficient de dilatation thermique : 18 x 10-6
Conductivité électrique : 7-8 m/(Ω x mm2)
Part de lubrifiant solide : 25-30 %
Plage de température :Températures de pointe jusqu'à env. 200 °C.Tolérances :L'alésage pour le palier lisse doit correspondre à la tolérance ISO H7.
Pour l'arbre, une tolérance de h6 à h7 est recommandée.


English 

















