NORELEM
Doigts d'indexage en Inox avec commande à distance
Les doigts d’indexage sont utilisés lorsqu'il faut éviter tout déplacement de la position d'arrêt sous l'effet de forces transversales.
Par exemple pour le verrouillage de la longueur et de la hauteur ainsi que le verrouillage de la position dans la construction de machines, de meubles et de véhicules spéciaux.
Les doigts d'indexage avec commande à distance sont utilisés lorsque des espaces inaccessibles rendent la manipulation difficile ou lorsqu'une commande à distance est nécessaire pour des raisons d'ergonomie et de sécurité.
Le couplage entre le doigt d'indexage et le côté opérateur s'effectue avec un câble Bowden. L'association du doigt d'indexage et de l'élément de commande forme un système complet pouvant convenir à de nombreuses applications. Si le désengagement doit s'effectuer de manière durable et qu'il faut éviter un rappel du doigt d'arrêt, il convient d'utiliser l'élément d'actionnement de forme D avec fonction de verrouillage.
En guise d'alternative à l'élément de commande, le raccord vissé (Ø5 x 7 mm) fourni sert à intégrer un élément de commande séparé au système.
Le câble Bowden est disponible en différentes longueurs.
Afin de garantir un ajustement parfait à l'application concernée, le câble Bowden peut être raccourci en conséquence lors du montage.
Une sélection de matériaux et de revêtements appropriés permet d'assurer la protection contre la corrosion. Le câble et la gaine de câble Bowden peuvent être facilement remplacés si nécessaire.
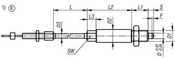
Matière :Doigt d'indexage :
Corps fileté en inox 1.4305.
Doigt d'arrêt en inox 1.4034.
Élément de commande en inox 1.4305.
Bouton de manœuvre en thermoplastique.
Capsule en thermoplastique.
Câble en inox 1.4401.
Gaine de câble en fil d'acier avec revêtement plastique intérieur et extérieur.
Embouts, vis d'arrêt et raccords vissés en laiton.Finition :Doigt d'indexage trempé, rectifié et poli.
Gaine de câble Bowden noire.
Bouton de manœuvre en thermoplastique gris foncé.
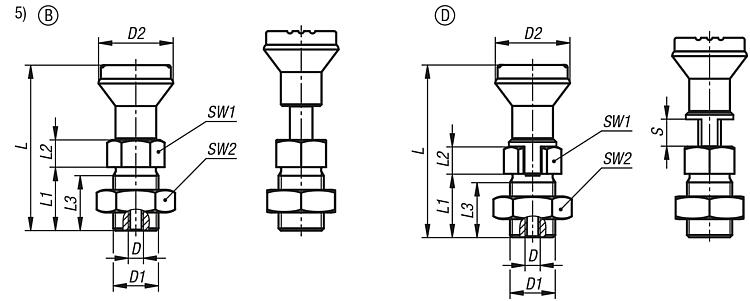
Remarques concernant la commande :Les doigts d'indexage avec commande à distance et l'élément de commande doivent être commandés séparément.Nota :Lors de l'installation de câbles Bowden, il convient de tenir compte des points suivants :
la longueur de l'extrémité libre du câble peut varier en fonction de l'angle de pose, du rayon de courbure et de la charge. Ainsi, la longueur de la contre-butée (gaine de câble) doit être ajustée à l'aide de la vis d'arrêt fournie après la pose du câble Bowden. La vis d'arrêt permet de régler en même temps la précontrainte du système de câble Bowden.
Lors de la pose, il convient de veiller tout particulièrement à respecter le rayon de courbure minimal, en l'occurrence R = 65 mm. Un rayon trop serré peut entraîner une usure accrue et une augmentation des frottements.
Il convient également d'éviter de descendre momentanément en dessous du rayon de courbure minimal lors du montage afin de ne pas endommager la gaine de câble. Par ailleurs, la gaine est uniquement conçue pour absorber les forces de pression. Si elle est trop tendue, la spirale interne est étirée et endommagée de façon permanente.Accessoires :Écrous 07212.
Supports de doigt d'indexage 03099.
Entretoises 03089.
Douilles de positionnement 03099-50.
Élément de commande 03096-10-12420.


English 



















