CHAMBRELAN
E50-G52 Rail coulissant en Acier
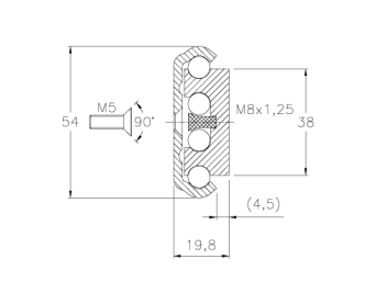
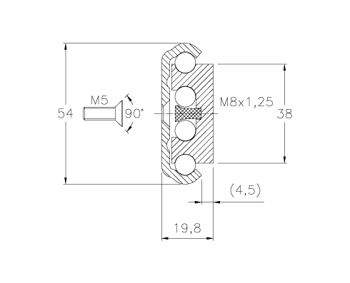
Description
Ce rail coulissant en acier offre une longueur adaptée aux besoins de l'utilisateur. Il est équipé d'un ou plusieurs patins conçus en acier durci par un traitement de nitruration, ainsi que de plastique pour les parties non sollicitées sous charge. Chaque patin est conçu pour supporter une charge spécifique. Il est important de noter que l'ajout de patins permet d'augmenter la charge admissible selon un facteur déterminé.
Détails techniques
Modification du standard :
Longueurs sur mesure
Plan de perçage sur mesure
Utilisation en haute température
Autres traitements de surface (corrosion, dureté)
Montage vertical (type guillotine)
CHAMBRELAN
Automatismes / Mécatronique / DigitalDescription
Chambrelan développe des glissières télescopiques à billes et des rails de guidage linéaires apportant des réponses adaptées aux requêtes de ses clients industriels. Les capacités de production, d’étude, de développement, ainsi que la collaboration étroite e...


English 




















