CHAMBRELAN
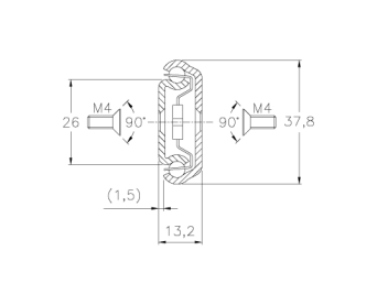
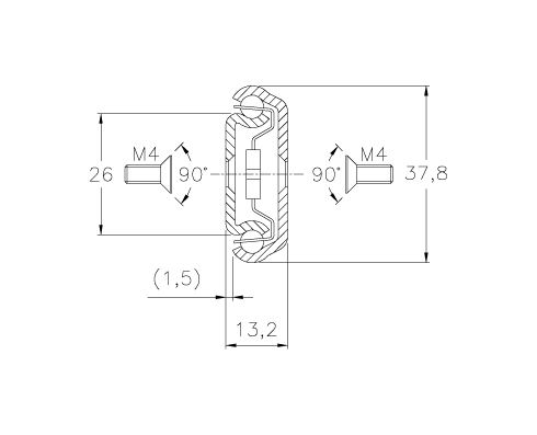
R26 - Glissière télescopique à Extension Partielle en Acier
La coulisse télescopique que nous proposons est composée de deux éléments en acier zingué et permet une extension partielle. Sa conception simple garantit un coulissement fluide et silencieux. Cette glissière télescopique est extrêmement compacte et convient parfaitement aux charges moyennes dans des applications où l'espace est limité.
Options possibles :
Elle ne dispose d’aucune option de verrouillage interne à ce jour.
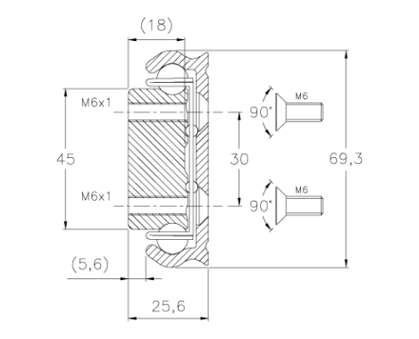
R26DD double développement
Modification du standard :
Développement : ce modèle peut être augmenté de 10% ou diminué. Une augmentation de développement diminue la charge maximale admissible.
Longueurs et courses sur mesure
Plan de perçage sur mesure
Autres traitements de surface (corrosion, dureté)
Montage vertical (type guillotine)


English 




















