NORELEM
Steel flat head shouldered axles with tolerance compensation for free bearing
Flat head shouldered axles with tolerance compensationReduce stress and extend service life Tensions can, in the long term, exert heavy stress on machines and installations. When fluctuating temperatures change the dimensions of a component, mounting inaccuracies arise, manufacturing tolerances must be compensated, or the position of components varies due to dynamic loads, the use of flat head clevis pins with tolerance compensation offers considerable advantages.
|
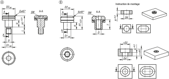
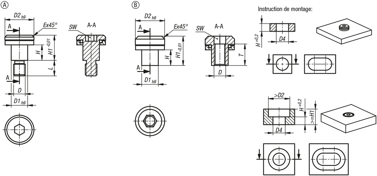
The movable bearing unit is a screw that connects two components while allowing one to move relative to the other (free bearing).
The mobile bearing unit is mainly used in case of:
- modification of the dimensions of a component under the effect of a change in temperature
- imprecise assembly
- manufacturing tolerances that must be compensated
- variation in the position of components due to dynamic loads Material: Steel rod.
High performance polymer plain bearing.
NBR O-ring. Finish: Galvanized rod. Note: The movable bearing unit has three components. A rod, a plain bearing and an O-ring.
When the rod is screwed into the bore, the plain bearing compresses the O-ring. This compression can go up to dimension X. Then, the plain bearing comes to rest on the head of the rod. The travel is limited accordingly by the mounting dimension H +0.2. A floating assembly is thus always guaranteed. Temperature range: -20°C to +80°C. Assembly: Note regarding the specified tightening torque:
Torques relate to screwdriving into steel components. When mounting in softer materials, the penetration (settling) of the rod diameter D2 must be taken into account. In this case, a lower torque should be used. To prevent the screws from loosening at lower torques, they should be glued.


Français 




















