NORELEM
Cable entry plate
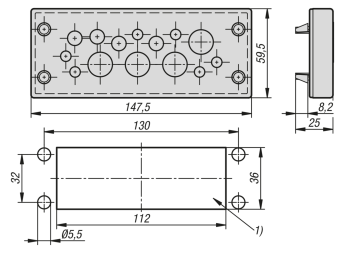
The cable entry plates are suitable for guiding cables without connectors (non-molded cables). Cables, tubes, pneumatic and hydraulic pipes can be introduced.
Cables can be inserted without tools. The elastomer plate provides optimal sealing and strain relief. Unnecessary openings remain securely and tightly closed.
Available in different opening configurations and also in a version without openings.
IP66 protection rating.
Certificates / standards respected:
UL 514B
UL/CSA-File E140310
EPDM elastomer lacquer, resistance to ozone cracking according to DIN 53509, level 0 (best level).
TPE TPV seal.
The cable entry plates can snap into the mounting cutout via hooks (for sheet thicknesses between 1.5 - 2.0 mm).
For sheet thicknesses greater than 2.0 mm or applications that may require screwed assembly, the cable entry plates can be fixed using holes with screws of size M5.


Français 


















