NORELEM
Stainless steel flange positioning housings, pneumatic
Clamping is done by compressed air. In the event of a loss of compressed air, clamping continues to be provided by the spring.
To unclamp positioning housings using compressed air, the spring force of 6 N must be overcome.
Material: Basic body in stainless steel.
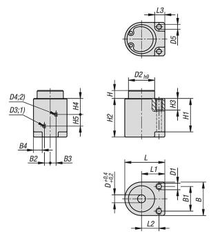
Seal based on NBR (nitrile butadiene rubber). Finish: polished stainless steel. Ordering Notes: M3x28 socket head screws for securing the lower part are included in the supplied hardware. M4 socket head screws for securing the upper part are not included in the supplied material. Note: Mounting dimensions for 6 mm thick plates.
The specified clamping and clamping forces refer to an operating pressure of 0.5 MPa.
When using several positioning units, the spacing tolerance of ±0.1 mm should not be exceeded.
The repeatability is ± 0.2 mm.
Accessories: Clamping spindle 03192-25. Drawing indication:
2) “Unclamping” fitting
3) M3 pan head screw
4) M4 pan head screws
5) Clamping pin
6) Positioning slot


Français 



















