NORELEM
Compact clamp block and riser block with assembly bolt
Description
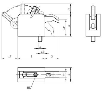
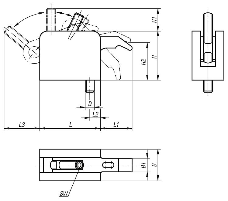
- The norelem compact clamping block is made of aluminum for the body, case-hardened steel for the clamping lever and strength class 10.9 steel for the clamping screw. -Compact clamp block clamp arm retracts fully. -Its clamping force is high as well as secured by a self-locking mechanism and its clamping force is obtained manually without excessive effort
Technical details
- Height is adjustable thanks to the riser block supplied with assembly bolts (04626) - Quick change of tools - Continuous adjustment range - High clamping force, secured by a self-locking mechanism
Administrative documents
In the spotlight
NORELEM
Assembly, fasteningDescription
Manufacturer and supplier, norelem is the world leader in standard components for construction and mechanical engineering. 70,000 product references make up the general range, which covers all the needs of companies in standard mechanical elements as well as in systems and components for the construction of machines and installations. All our pa...


Français 

















