ITEM FRANCE
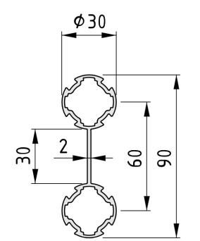
Tube profilé double D30-60, naturel
Système de construction modulaire pour la production « lean »
Plus de finesse ! Le kit palier pivotant D30-28,5 M8 facilite les applications karakuri et d’automatisation « low cost » avec des produits légers à transporter. Grâce à des paliers fixes et des paliers libres, un profilé peut facilement tourner autour de son axe longitudinal. Plus de maintien ! La barrette continue en aluminium du tube profilé double D30-60 relie deux tubes profilés D30 intégrés. La connexion continue renforce nettement la rigidité à la flexion en cas d’utilisation verticale par rapport à deux tubes profilés D30 séparés.
Plus de mouvement ! Ils sont parfaits pour le karakuri ou l’automatisation « low cost » : les équilibreurs d’outils à câble en fibres synthétiques. Les câbles en fibres synthétiques sont extrêmement résistants et s’enroulent facilement autour de petites poulies.


English 














