NORELEM
igubal® pillow block
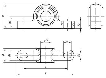
Description
Pillow block bearings compensate for misalignments, tilts and shaft deflection.
igubal® bearings are suitable for rotary, oscillating and linear movements.
Technical details
Material: Body: igumid® G,
Ball joint: iglidur® W300. Finish: Black.
Mounting: Plummer block bearings are designed to be secured with two screws.
Plummer block bearings are designed with an internal diameter tolerance of E 10. The matching shaft must be designed with a tolerance between h6 and h9.
Administrative documents
In the spotlight
NORELEM
Assembly, fasteningDescription
Manufacturer and supplier, norelem is the world leader in standard components for construction and mechanical engineering. 70,000 product references make up the general range, which covers all the needs of companies in standard mechanical elements as well as in systems and components for the construction of machines and installations. All our pa...


Français 


















