ITEM FRANCE
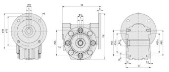
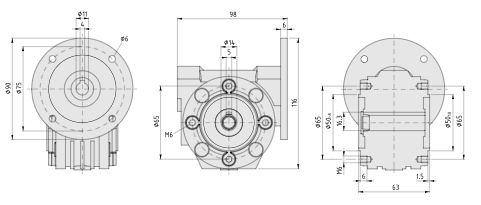
Angle transmission D14/D11-i10
The D14/D11 right-angle gearboxes for the item AC D11 motor are available with six different ratios. The speed of the conveyor belt is therefore adjustable. As a ready-to-connect solution, the gearbox is screwed onto the motor without any machining. The motor attachment kit 8 40 D14 is used to attach gearboxes and motors to the right or left of the conveyor.
Drive elements With the item conveyor system you can combine motor, gearbox and synchronization according to your specifications. Since the drive components are compatible with all conveyors, you can always use the combination that best suits your transport mission and production environment. In addition, item motor mounting sets give you maximum freedom to orient the drive mechanism. Tip: Our online configuration help will allow you to find the conveyor perfectly adapted to the parameters of your project.


Français 


















