NORELEM
Tubular plastic handles with electrical switching function and a push button
Description
Matter :
PA6 thermoplastic handle tip.
PVC thermoplastic connecting tube.
Finishing :
Black handle end cap.
Black connecting tube.
Note:
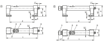
Form A: Push button (changeover) 2 LEDs 8-pole connector
Form B: Emergency stop (2 openings) Push button (changeover) 2 LEDs 12-pole connector
Technical data:
see Downloads, Technical Information
Connection type: 8 or 12-pole M12x1 connector.
Protection rating: IP54 with screw connector.
Mounting: Front mounting.
Accessories: Tubular plastic handles with plastic tip 06980.
M12x1 socket connector with screw lock 80150-10.
Drawing indication:
1) Emergency stop
2) Red LED
3) Green LED
4) Push button
5) Connector, M12x1
In the spotlight
NORELEM
Assembly, fasteningDescription
Manufacturer and supplier, norelem is the world leader in standard components for construction and mechanical engineering. 70,000 product references make up the general range, which covers all the needs of companies in standard mechanical elements as well as in systems and components for the construction of machines and installations. All our pa...


Français 






















