NORELEM
Split steel or stainless steel stop rings, internal with bearing surface
Description
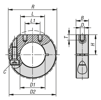
The internal split retaining rings with a bearing surface surround the shaft, ensuring an even distribution of clamping forces. They thus fit the shaft perfectly and allow very high holding forces without damaging it. The shaft tolerance must be h11. The mounting thread of the split retaining rings allows other elements such as control levers or cams to be fixed to shafts and axles. They can be mounted easily and securely with a high clamping force by reducing the height of the slots, without damaging the surface of the shafts and axles.
Technical details
Matter :
Steel. Stainless steel 1.4305.
Finishing :
Steel: burnished.
Stainless steel: natural.
In the spotlight
NORELEM
Assembly, fasteningDescription
Manufacturer and supplier, norelem is the world leader in standard components for construction and mechanical engineering. 70,000 product references make up the general range, which covers all the needs of companies in standard mechanical elements as well as in systems and components for the construction of machines and installations. All our pa...


Français 


















