NORELEM
Square profile steel locking indexing fingers
Lockable indexing fingers are used when movement from the stop position under transverse forces must be prevented.
A 180° rotation of the lock causes the stop finger to retract, allowing the stop position to be changed.
The stop notch keeps the lock in this position and the stop finger retracted.
Matter :
Steel lock and stop finger.
Socket 1.0403.
Compression spring 1.4310.
PA thermoplastic locking cap.
Finishing :
Burnished socket and lock.
Hardened, ground and burnished stop finger.
Polished compression spring.
Locking cap in different colors:
- dark grey RAL 7021.
- bright orange RAL 2004.
- rapeseed yellow RAL 1021.
- RAL 3020 signal red.
- RAL 6032 signal green.
- signal blue RAL 5017.
- light grey RAL 7035.
Note :
Thanks to their square socket, these locking index fingers can be welded.
Spot welding positioning is recommended to avoid excessive heating of the spring.
Benefits :
A 180° rotation of the lock causes the stop finger to retract.
Available with colored plastic locking caps.
Square socket, for welding.
On request:
Special versions.
Accessories :
Positioning bushings 03099-50, 03099-60, 03099-61.
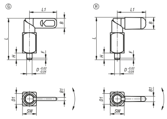
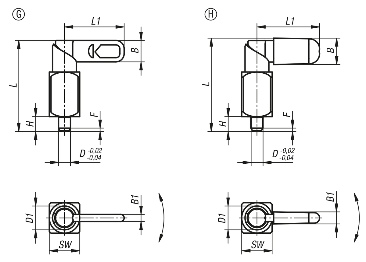
Drawing indication :
Form G: without locking cap
Shape H: with locking cap


Français 


















