NORELEM
Stainless steel lockable indexing finger with thread lock
Lockable indexing fingers are used when it is necessary to prevent movement of the stop position due to transverse forces. A 180° rotation of the lock causes the stop finger to retract, allowing the stop position to be changed. The stop notch keeps the lock in this position and the stop finger retracted.
Benefits :
A 180° rotation of the lock causes the locking finger to retract. Available with plastic locking caps in a choice of colours. The body with hexagonal part serves as a mounting aid
Matter :
Lock 1.4308.
Threaded sleeve and stop finger 1.4305.
Compression spring 1.4310.
PA thermoplastic locking cap.
Blue polyamide threadlocker.
Finishing :
Threaded body, polished compression spring and latch.
Stop finger regrind and polished.
Locking cap in different colours:
- dark grey RAL 7021.
- bright orange RAL 2004.
- rapeseed yellow RAL 1021.
- RAL 3020 signal red.
- RAL 6032 traffic green.
- RAL 5017 signal blue.
- light grey RAL 7035.
Accessories :
Indexing finger supports 03099.
Positioning bushings 03099-50.
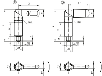
Drawing indication:
AP shape: without locking cap, without nut.
CP shape: with locking cap, without nut


Français 


















