NORELEM
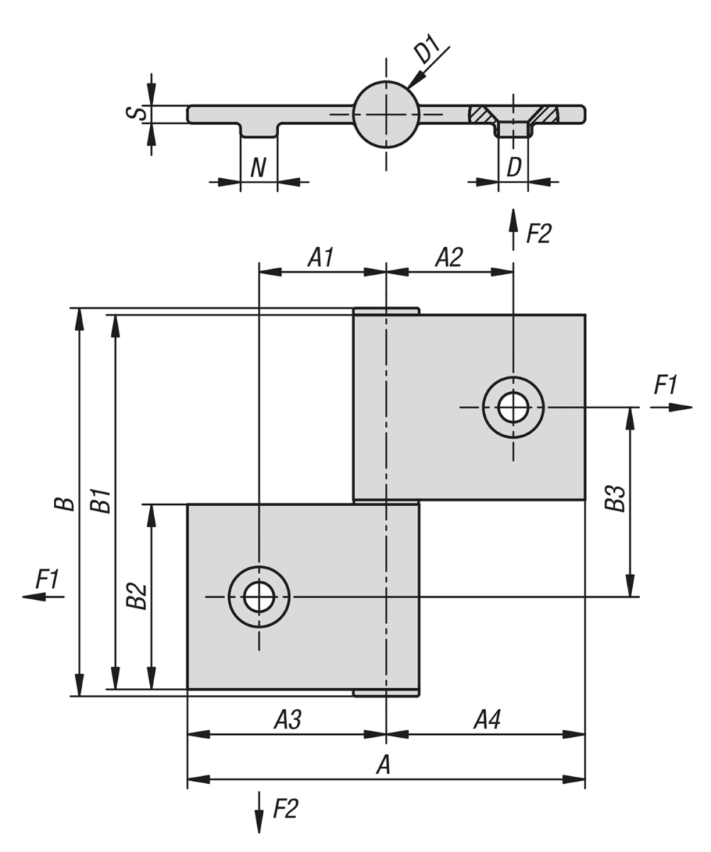
Aluminum hinges, internal, with rim
These hinges can be assembled on the left or right.
Rotates 360°.
The permissible load values indicated are non-binding indicative values, which do not take into account safety factors and exclude any liability. These values are intended exclusively for information purposes and do not constitute a legal guarantee of properties.
The load values were determined under laboratory conditions. Each user must determine for himself whether the hinge is suitable for the intended application.
The different materials on which the hinges are fixed and the types of fixing, climatic conditions as well as wear and tear can influence the defined values.
Mounting kit:
2x FHC hexagon socket screws DIN 7991 / ISO 10642.
2x Swivel Cleats with Type I Rim.
Matter :
Aluminum hinge.
Stainless steel axle.
Cover plate made of glass fibre reinforced thermoplastic.
Finishing :
Anodized hinge.
Brilliant axis.
White aluminum cover cap.


Français 

















