NORELEM
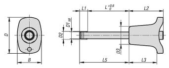
High shear strength stop pin
Self-locking locking pins make it quick and easy to assemble or fasten components.
Pressing the pressure button unlocks the two balls and therefore separates the parts. By releasing the pressure button, the balls lock and provide a secure assembly.
Double section shear force (F) = S · τ aB max.
Shear force data corresponds to the theoretical breaking load.
These are non-binding indicative values, which do not take into account safety factors and exclude any liability. The values indicated are intended exclusively for information purposes and do not constitute a legal guarantee of the properties.
The load values have been calculated in accordance with DIN 50141. Each user must determine for themselves whether the self-locking locking pin is suitable for the intended application.
The different materials with which the self-locking pins are used, climatic conditions as well as wear can influence the set values.
High shear strength retaining pins have an identification groove on the bolt. Advantages: Greater load capacity compared to standard stop pins.
The pin made of 1.4542 stainless steel is processed, has high shear strength and is extremely durable.
Material: Thermoplastic handle.
Snap button 1.4305.
Pin in stainless steel 1.4542.
Stainless steel balls 1.4125.
Pressure spring in stainless steel 1.4310. Finish: Dark gray or traffic red RAL 3020 handle.
Shiny stainless steel.


Français 
















