NORELEM
NdFeB cylindrical magnet
Description
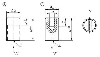
Smooth model, shielded system.
Neodymium cylindrical magnets should not be pressed directly into steel holders, as this will reduce their adhesion due to magnetic interference.
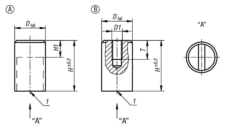
Diameter "D" rectified with external diameter calibrated h6.
Cylindrical magnets can be reduced by dimension "H1" without reducing their adhesion.
Technical details
Material: Brass body. NdFeB (neodymium) magnetic core. Finish: Smooth body. Temperature range: 80°C max. Mounting: The magnets can be mounted by fitting or by gluing.
Administrative documents
In the spotlight
NORELEM
Assembly, fasteningDescription
Manufacturer and supplier, norelem is the world leader in standard components for construction and mechanical engineering. 70,000 product references make up the general range, which covers all the needs of companies in standard mechanical elements as well as in systems and components for the construction of machines and installations. All our pa...


Français 

















